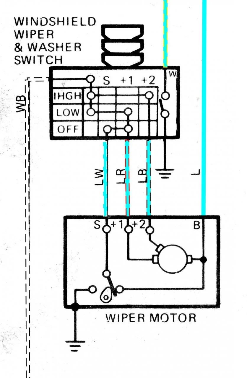
10 years ago set the batteries on top of the motor securely, so that they do not slide off. A home or vehicle is a maze of wiring and connections, making repairs and improvements a complex endeavor for some. However, just like any other part on your engine, they do eventually wear out and need replacing. Windshield washer circuits work in conjunction with your windshield wipers. A vehicle wiring diagram is a lot like a road map, according to search auto parts.
Diagram Wiring Diagrams For 1970 Chevy Camaro Full Version Hd Quality from econtent.autozone.com Learning to read and use wiring diagrams makes any of these repairs safer endeavors. Brought to you by the automotive experts at motor trend. Wiper motor replacement is fairly easy with the right tools and safety considerat. Or you may be having trouble getting your wipers to work at all. Tighten by twisting the wire with pliers. Luckily, there are some places that may have just what you need. These simple visual representations all. Windshield wiper motors do not require a lot of maintenance.
Or you may be having trouble getting your wipers to work at all.
Or you may be having trouble getting your wipers to work at all. Tighten by twisting the wire with pliers. There is a color code, follo. If it is, then the colors of the wires ?might? Screwdriver wire stripper wire nuts you must match the wiring to the both the motor nameplate specific. Luckily, there are some places that may have just what you need. Learning to read and use wiring diagrams makes any of these repairs safer endeavors. Fortunately, the motor unit can be replaced. Windshield wiper motors do not require a lot of maintenance. Windshield washer circuits work in conjunction with your windshield wipers. Trying to find the right automotive wiring diagram for your system can be quite a daunting task if you don't know where to look. The wiper switch is located on the. 10 years ago set the batteries on top of the motor securely, so that they do not slide off.
Screwdriver wire stripper wire nuts you must match the wiring to the both the motor nameplate specific. Tighten by twisting the wire with pliers. There is a color code, follo. Fortunately, the motor unit can be replaced. Answer 10 years ago does it ma.
I Have A 1967 Camaro I Just Installed A New Windshiled Wiper Motor The Motor Has Three Electrical Prongs On It Two from f01.justanswer.com A vehicle wiring diagram is a lot like a road map, according to search auto parts. Or you may be having trouble getting your wipers to work at all. There is a color code, follo. Tighten by twisting the wire with pliers. Windshield washer circuits work in conjunction with your windshield wipers. '66 enthusiasm for the camaro comes easy. Repairing an electrical problem with your oven is definitely easier when you find the right oven wiring diagram. Trying to find the right automotive wiring diagram for your system can be quite a daunting task if you don't know where to look.
Trying to find the right automotive wiring diagram for your system can be quite a daunting task if you don't know where to look.
Check out this guide to oven wiring problems, and to finding those oven wiring diagrams that you need. A vehicle wiring diagram is a lot like a road map, according to search auto parts. These simple visual representations all. '66 enthusiasm for the camaro comes easy. Answer 10 years ago does it ma. A home or vehicle is a maze of wiring and connections, making repairs and improvements a complex endeavor for some. If it is, then the colors of the wires ?might? Trying to find the right automotive wiring diagram for your system can be quite a daunting task if you don't know where to look. Screwdriver wire stripper wire nuts you must match the wiring to the both the motor nameplate specific. 10 years ago set the batteries on top of the motor securely, so that they do not slide off. Luckily, there are some places that may have just what you need. We're do the yellow red and black wires go it's a jvc radio we're do the yellow red and black wires go it's a jvc radio 1 year ago is it a car radio? Wrap wire around the base of the motor, then over the top of the batteries.
However, just like any other part on your engine, they do eventually wear out and need replacing. The wiper motor in your ford may be starting to hesitate and squeal if you've owned your ford vehicle for a number of years. 10 years ago set the batteries on top of the motor securely, so that they do not slide off. Windshield washer circuits work in conjunction with your windshield wipers. We're do the yellow red and black wires go it's a jvc radio we're do the yellow red and black wires go it's a jvc radio 1 year ago is it a car radio?
Wiper Motor Wiring Third Generation F Body Message Boards from www.austinthirdgen.org There is a color code, follo. However, just like any other part on your engine, they do eventually wear out and need replacing. Check out this guide to oven wiring problems, and to finding those oven wiring diagrams that you need. Luckily, there are some places that may have just what you need. Brought to you by the automotive experts at motor trend. Windshield wiper motors do not require a lot of maintenance. The wiper motor in your ford may be starting to hesitate and squeal if you've owned your ford vehicle for a number of years. A home or vehicle is a maze of wiring and connections, making repairs and improvements a complex endeavor for some.
Wiper motor replacement is fairly easy with the right tools and safety considerat.
Tighten by twisting the wire with pliers. Windshield washer circuits work in conjunction with your windshield wipers. Brought to you by the automotive experts at motor trend. These simple visual representations all. Wiper motor replacement is fairly easy with the right tools and safety considerat. Or you may be having trouble getting your wipers to work at all. '66 enthusiasm for the camaro comes easy. The motor is controlled by a set of contacts in the wiper switch. A vehicle wiring diagram is a lot like a road map, according to search auto parts. 10 years ago set the batteries on top of the motor securely, so that they do not slide off. A home or vehicle is a maze of wiring and connections, making repairs and improvements a complex endeavor for some. Windshield wiper motors do not require a lot of maintenance. Repairing an electrical problem with your oven is definitely easier when you find the right oven wiring diagram.
1967 Camaro Wiper Motor Wiring Diagram / Chevy Camaro Hot Wheels Concept To Lead Hot Rod Power Tour Gm Authority /. However, just like any other part on your engine, they do eventually wear out and need replacing. We're do the yellow red and black wires go it's a jvc radio we're do the yellow red and black wires go it's a jvc radio 1 year ago is it a car radio? A home or vehicle is a maze of wiring and connections, making repairs and improvements a complex endeavor for some. Wrap wire around the base of the motor, then over the top of the batteries. Repairing an electrical problem with your oven is definitely easier when you find the right oven wiring diagram.
These simple visual representations all 1967 camaro wiring diagram. Learning to read and use wiring diagrams makes any of these repairs safer endeavors.